40mm (8p) čirý paprsek MakerBeam
0
product unavailable
Popis
HLINÍKOVÝ PROFIL MAKERBEAM
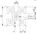
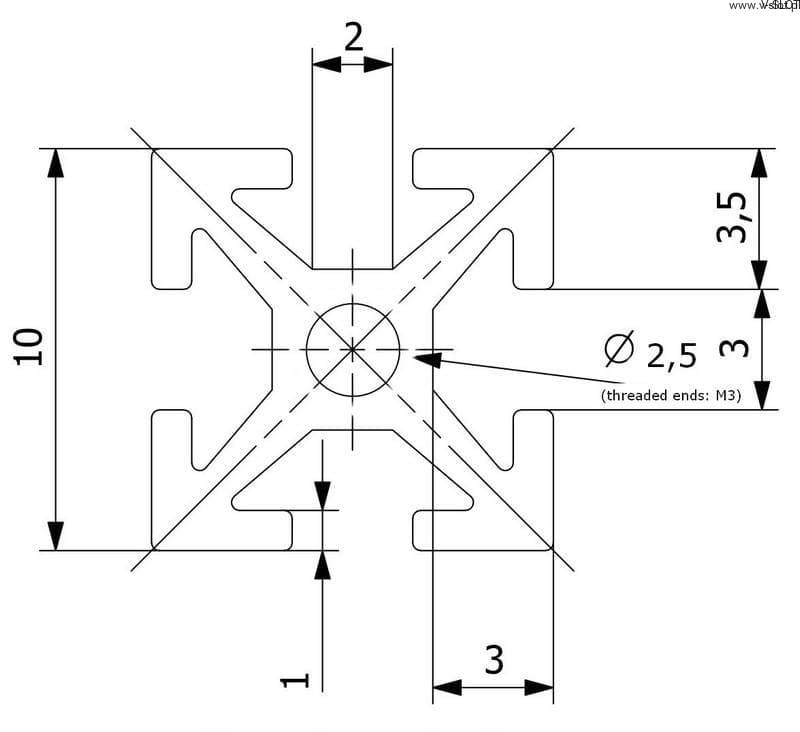
ROZMĚRY 10x10mm , délka 40mm, barva stříbrná
množství: 8 ks
MakerBeam je hliníkový profil 10x10 mm , který je vynikajícím malým profilem dostupným v černé nebo stříbrné eloxované barvě.
Velikost profilu je ideální, pokud plánujete vyrobit konstrukci stroje nebo jinou konstrukci. MakerBeam má duté jádro a je k dispozici v různých délkách. Všechny délky mají konce se závitem (M3).
Pokud jste vášnivými kutily, pak vám profily a příslušenství MakerBeam jistě pomohou vytvořit nejeden zajímavý stroj založený mimo jiné na Raspberry PI, Arduinu a mnoha dalších.
Zde jsou některé z důvodů, proč naše produkty nakupují společnosti jako Fraunhofer, Siemens, McLaren, NASA Johnson Space Center, Google, Philips, Volvo a Opera:
* malé hliníkové profily profesionální kvality pro velké projekty:
prototypy, robotika, skříně a mnoho dalšího
* k dispozici v černém nebo stříbrném eloxovaném provedení pro profesionální vzhled
* k dispozici ve snadno řezatelných délkách
* šrouby a matice M3
* k dispozici jsou držáky z nerezové oceli
* profilové drážky se hodí pro panely o tloušťce 3 mm; snadno si vytvoříte vlastní skříň
* výběr profilů různých velikostí; 10x10 mm pro malé a krásné konstrukce a 15x15 mm pro malé, ale robustní konstrukce.
Přemýšlejte - stavte - bavte se!
Společnost MakerBeam využila technologii T-drážek k vytvoření profilů Mini-T.
Šířka a výška MakerBeam = 10 mm x 10 mm. Naše profily jsou k dispozici v různých velikostech. Hliníkové profily jsou eloxované v černé nebo stříbrné barvě, mají duté jádro a na obou koncích otvory se závitem.
