Hyper náboj pro šroub Acme 8 mm
0
product unavailable
Popis
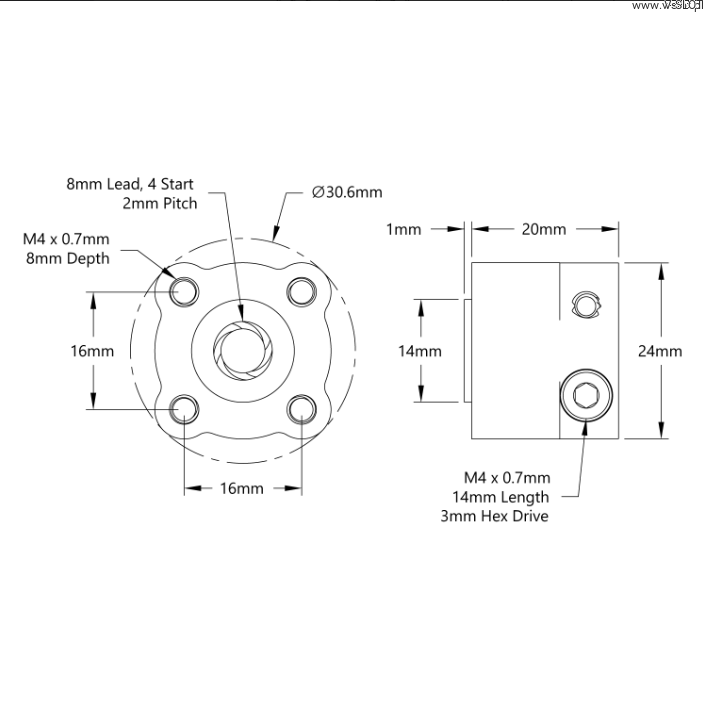
Hypernáboj řady 1310 pro 8mm šroub Acme
Tento náboj Hyper Hub má závitový otvor pro naše 8mm šrouby Acme.
Možnost pevného sevření kolem tažného šroubu vám dává možnost nasadit na tažný šroub převodovku, pastorek nebo řemenici a otáčet jím, čímž vytvoříte sestavu s lineárním pohybem. Otvor pro tažný šroub poskytuje dodatečnou přídržnou sílu, která je někdy potřebná k přenesení obrovských sil, kterými může tažný šroub působit na náboj.
Náboj lze použít v projektech využívajících řadu goBilda i OpenBuilds.
