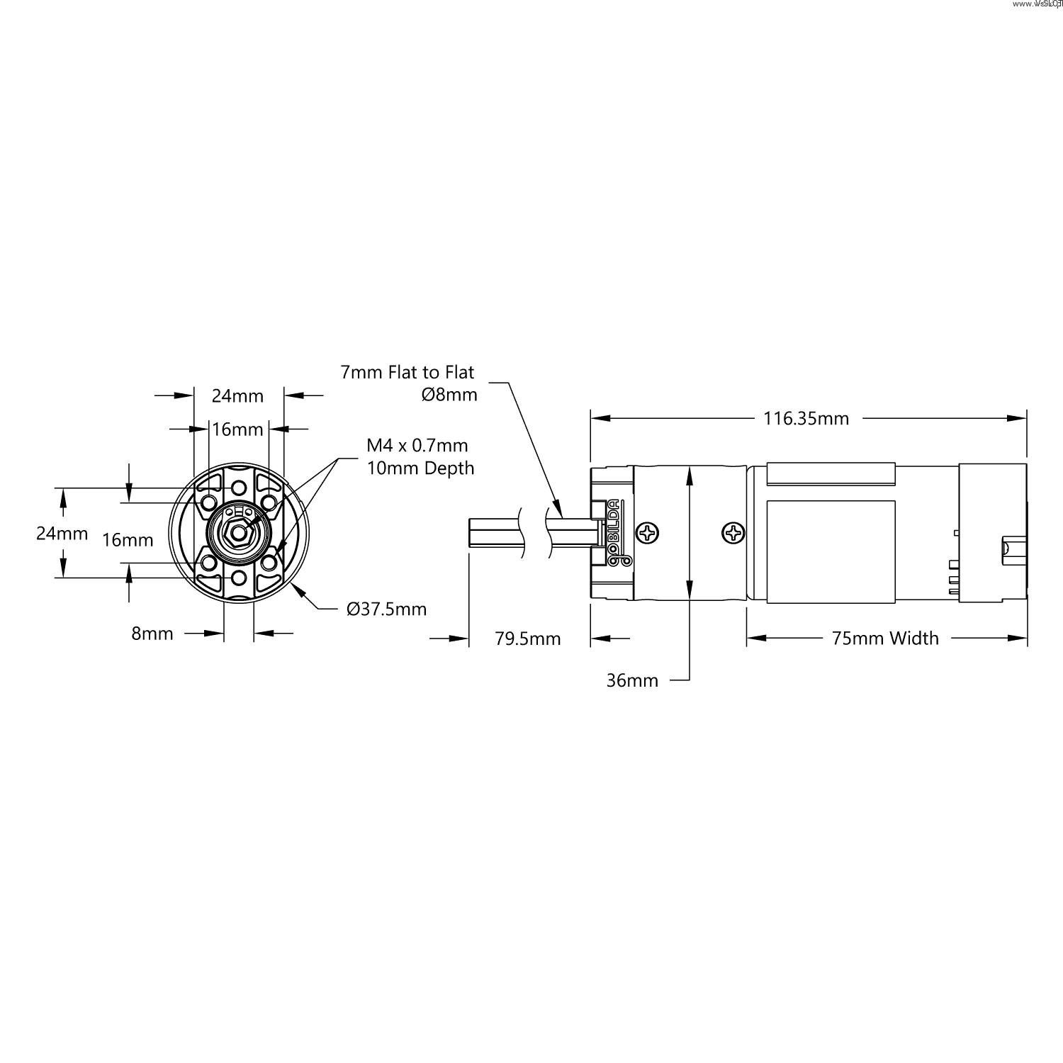
Planetový převodový motor se žlutým krytem řady 5204 (převodový poměr 13,7:1, délka 80 mm, hřídel REX 8 mm, 435 ot/min, snímač 3,3 - 5 V)
Planetový převodový motor se žlutým krytem řady 5204 (převodový poměr 13,7:1, délka 80 mm, hřídel REX 8 mm, 435 ot/min, snímač 3,3 - 5 V)
0
product unavailable
Popis
Specifikace:
| Velikost motoru | RS-555 |
|---|---|
| Typ motoru | Kartáčovaný stejnosměrný motor |
| Jmenovité napětí | 12VDC |
| Výstupní hřídel | 8 mm REX, délka 80 mm |
| Typ převodovky | Planetová |
| Převodový poměr | 13:7:1 |
| Vzorec převodového poměru | (((1+(46/17))) * (1+(46/17))) |
| Materiál převodovky | Ocel |
| Otáčky naprázdno @ 12VDC (teoretické) | 435 OT/MIN |
| Proud naprázdno @12VDC | 0.25A |
| Proud při přetížení @12VDC | 9.2A |
| Krouticí moment při 12VDC | 18,7 kg.cm |
| Délka kabelu | 470 mm (včetně konektorů) |
| Tloušťka kabelu | 16AWG |
| Typ konektoru motoru | 3,5mm kulové konektory FH-MC |
| Typ konektoru enkodéru | 4polohový JST XH [FH-MC]. |
| Typ enkodéru | Relativní, kvadraturní |
| Typ snímače enkodéru | Magnetický |
| Rozsah napětí snímače | 3,3 - 5VDC |
| Rozlišení snímače | 384,5 PPR na výstupní hřídeli |
| Vzorec pro rozlišení enkodéru | ((((1+(46/17))) * (1+(46/17))) * 28) |
| Hmotnost | 435g |
