Řada 1401 Oboustranný držák na 2 sloupky (šířka 43 mm, otvor 36 mm)
0
product unavailable
Popis
Obchod V-SLOT Polsko vám nabízí jedinečná řešení, jako např. Umontážní konzola oboustranná, 1sloupek série 1401 (šířka 43 mm, otvor 36 mm)
Tyto prvky jsou součástí jedinečného systému goBuilda s nímž můžete postavit mnoho zajímavých konstrukcí jen s pomocí několika málo nástrojů.
Mnoho příslušenství kompatibilního se systémem goBuilda najdete v našem internetovém obchodě a v prodejně ve Vratislavi!
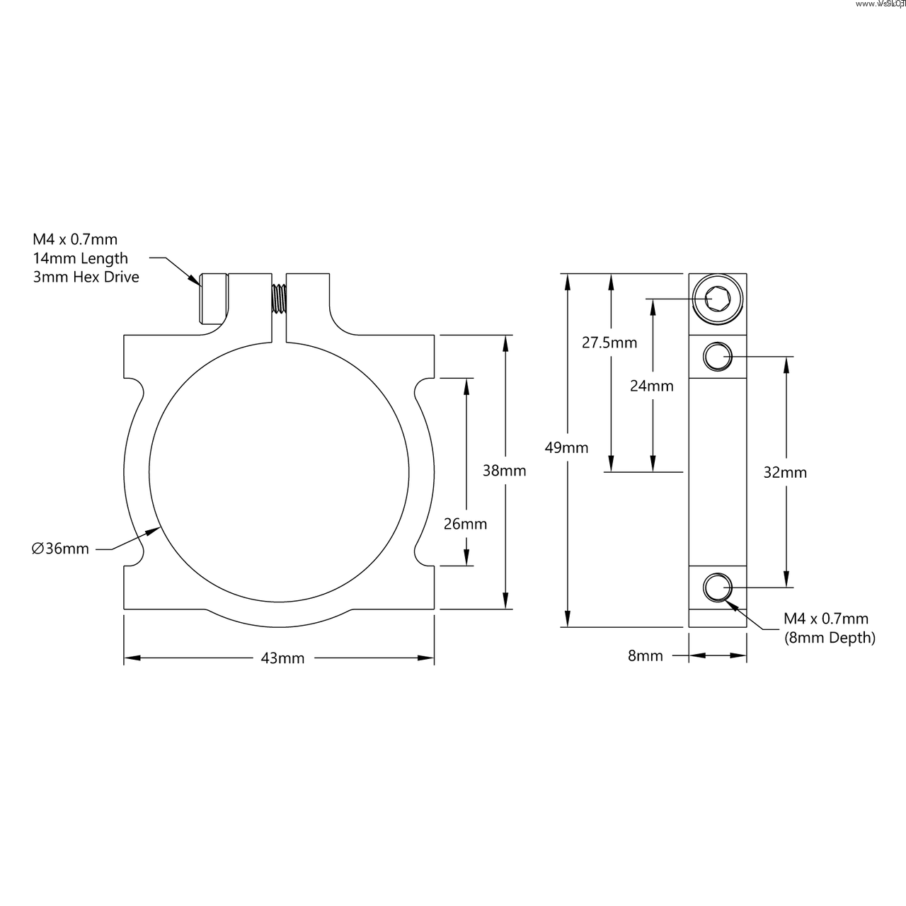
TECHNICKÉ ÚDAJE:
- Název: montážní konzola
- Série: BILBILDA, modelová řada: 1: 1401
- TYP: 2stranný, 1sloupek
- Průměr otvoru: 36 mm
- Šířka: 43 mm
- Materiál: hliník
- Rozměry: viz technické výkresy v galerii

