Rohová jednotka GoBilda (1-2)
0
product unavailable
Popis
Rohový goBilda
Obchod V-SLOT Polska vám nabízí jedinečná řešení, jako jsou rohové sedací soupravy. goBilda
Tyto rohy jsou součástí jedinečného systému goBuilda systému, s jehož pomocí můžete postavit mnoho zajímavých konstrukcí jen s pomocí několika málo nástrojů.
V našem internetovém obchodě a v prodejně ve Vratislavi najdete mnoho doplňků kompatibilních se systémem goBuilda!
TECHNICKÉ ÚDAJE:
-
Název: goBilda corner
-
Série: BILBILDA - Bílý dům, který se nachází v centru města: 1204
-
Materiál: hliník
-
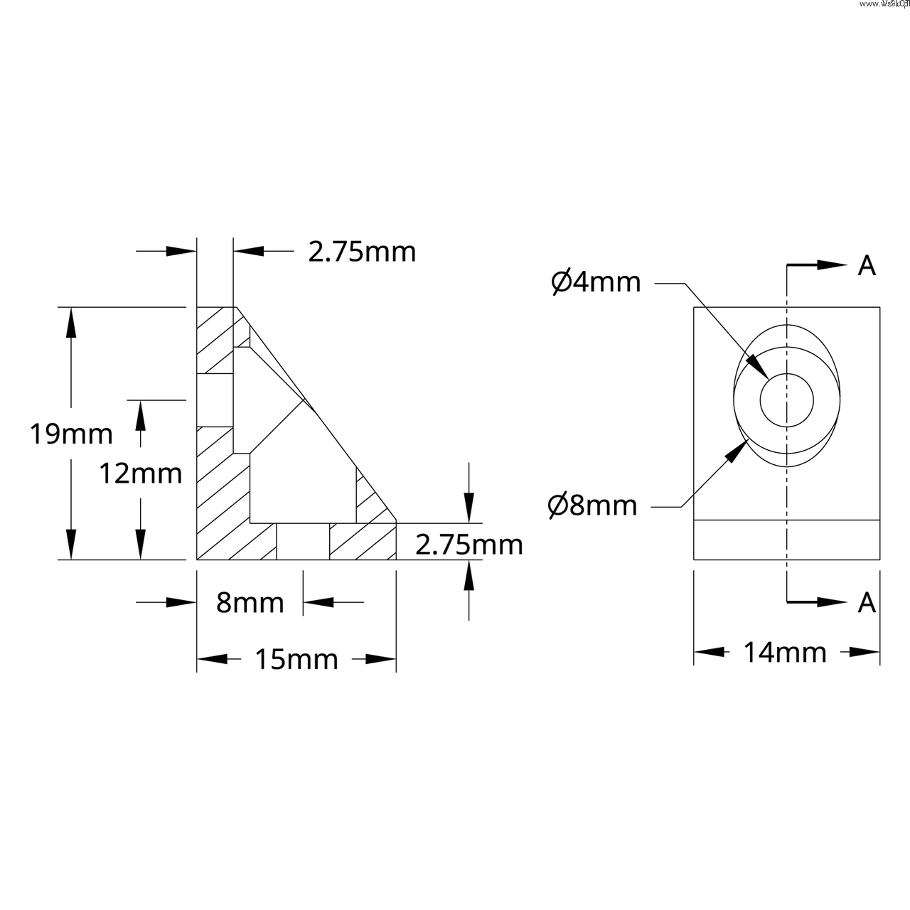
Délka: viz technické výkresy v galerii
-
Rozměry: Viz technické výkresy v galerii
Příklady použití :
Systémová řada GoBuilda umožňuje vytvořit mnoho jedinečných řešení.
Tyto kompaktní rohy představují čistý a robustní způsob, jak vytvořit nebo podepřít úhel 90 stupňů.
